Sunday, April 30, 2023

Nissan Ge13 Wiring Diagram, Nissan GA15DE ECU Wiring Help - Nissan/Datsun - PakWheels Forums

Nissan Ge13 Wiring Diagram Wiring Diagram Juke Nissan Repair Manual Service System

Nissan ecu pakwheels

Nissan ecu pakwheels. Wiring diagram. Wiring diagram. Fuse x700bt f01 justanswer bose agco d21 d22 schematron qg18de 3000gt

Agco Electrical Diagram

Agco Electrical Diagram

Nissan Wiring Diagrams - Wiring diagrams for cars

Nissan Wiring Diagrams - Wiring diagrams for cars

Ford Ranger PX MkII Workshop Manual | Chlorofluorocarbon | Airbag

Ford Ranger PX MkII Workshop Manual | Chlorofluorocarbon | Airbag

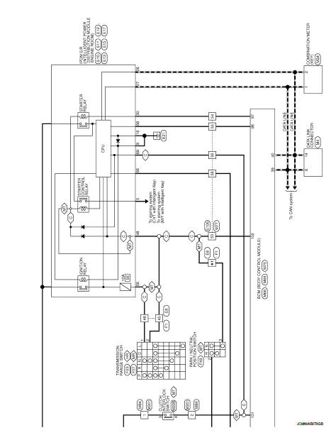
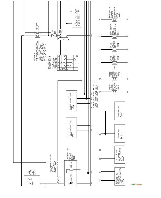
Wiring diagram - Power Control System Power distribution system

Wiring diagram - Power Control System Power distribution system

หจก.ไวริ่งออโต้คาร์ เปิดสอนไฟฟ้ารถยนต์และรถบรรทุก

หจก.ไวริ่งออโต้คาร์ เปิดสอนไฟฟ้ารถยนต์และรถบรรทุก

0 comments

Posts a comment

 
© 2011 Tricks3.cu.cc - Hack Tricks with Freebies softwares
Designed by Blog Thiết Kế
Back to top